- 质量稳定:实行全过程质量监控,细致入微,全方位检测!
- 价格合理:高效内部成本控制,减少了开支,让利于客户!
- 交货快捷:先进生产流水线,充足的备货,缩短了交货期!
- 总机:0519-88666388
- 直线:15995029161
	
	产品说明:
	电动推杆由驱动电机、减速齿轮、螺杆、螺母、导套、推杆、滑座、弹簧、外壳及涡轮、微动控制开关等组成,是一种将电动机的旋转运动转变为推杆的直线往复运动的电力驱动装置。已成熟应用的领域有:
	医疗科技领域:电动病床,护理床,ICU床,翻身床,手术床,牙科椅,康复训练床,C型臂,核磁共振设备,吊塔,电动轮椅,台车等。
	家具领域:沙发,老人椅,懒人椅,足浴椅,家居床,美容床,按摩椅,按摩床,电视机架。
	
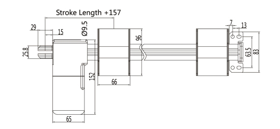
	尺寸规格:
	
| 产品名称 | 产品型号 | 开启行程 | 工作电压 | 工作电流 | 推拉力 | 运行速度 | 
| 电动推杆 | ML3 | 50-400mm | DC24V±15% | 2.3A | 最大4000N | 6-40mm/s | 
	
	特点:
	* 最小安装尺寸L=行程S+157mm,可根据用户要求定做。
	* 大于30000次推出及拉回的寿命设计,经负载测试合格。
	* 使用频率:10%。
	* 防护等级:IP42。
	* 环境温度:-5-40℃。
	* 电机直接驱动,不需要管道的气源、油路。
	* 用途广泛,大量用于电动窗、沙发、电动床、汽车、军工、舞台、纺织、污水处理等各个行业设备上。
声明:本文中所有文字、数据、图片均只适用于参考,ML8性能参数、结构尺寸参数、价格等详情,请联系我们。
                           
    